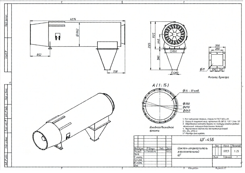
Циклон искрогаситель ЦГ
Характеристики товара
Циклон-искрогаситель ЦГ
Горизонтальный прямоточный инерционный фильтр для защиты производства
Циклон-искрогаситель ЦГ производства ООО «РОТОР СЕРВИС» — это специализированное горизонтальное оборудование, предназначенное для двух ключевых задач: эффективного гашения искр и раскаленных частиц и предварительной грубой очистки газовоздушных потоков от сухой пыли. Конструкция аппарата позволяет врезать его напрямую в существующий газоход или аспирационный канал, что делает его идеальным решением для модернизации действующих систем или применения в условиях ограниченного пространства, где монтаж вертикальных циклонов невозможен.
Опираясь на многолетний опыт в разработке и производстве систем газопылеочистки, мы предлагаем не просто изделие, а комплексное инженерное решение. Наши специалисты подберут, спроектируют и изготовят оборудование, точно соответствующее параметрам вашего технологического процесса.
Основные сферы применения:
-
Противопожарная защита систем аспирации на участках сварки, плазменной и лазерной резки, шлифовки металла.
-
Защита фильтров тонкой очистки (рукавных, картриджных) от попадания искр и тлеющих частиц на деревообрабатывающих, комбикормовых, мукомольных производствах.
-
Очистка дымовых газов от искр и крупной золы в котельных и энергоустановках, работающих на твердом топливе.
-
Предварительная очистка выбросов перед более тонкими ступенями очистки на различных промышленных объектах.
Ключевые преимущества:
-
Высокая эффективность искрогашения: До 99,9% за счет уникальной конструкции с камерой турбулентного потока и радиальными отбойными пластинами.
-
Компактность и удобство монтажа: Горизонтальное исполнение и прямоточная схема позволяют вписать аппарат в действующий газоход.
-
Надежность: Отсутствие движущихся частей и простой принцип действия обеспечивают долговечность и минимальные эксплуатационные расходы.
-
Гибкость: Возможность выноса пылесборного бункера на расстояние, изготовление из различных материалов (углеродистая, нержавеющая, жаропрочная сталь).
-
Решение от производителя: Прямые поставки, гарантия качества, инженерная поддержка и индивидуальный подход к каждому проекту.
Базовая комплектация
Стандартная поставка циклона-искрогасителя ЦГ от ООО «РОТОР СЕРВИС» предназначена для быстрого и простого ввода оборудования в эксплуатацию. Мы поставляем аппараты, готовые к интеграции в вашу технологическую линию.
Что входит в базовую комплектацию:
-
Циклон-искрогаситель ЦГ в сборе.
-
Корпус аппарата с внутренними отбойными пластинами и лопастной розеткой-закручивателем.
-
Входной и выходной патрубки с монтажными фланцами стандартного исполнения (например, ГОСТ 12820-80 или по чертежу заказчика).
-
-
Комплект крепежных элементов для монтажа аппарата на опорную конструкцию (при необходимости).
-
Техническая документация.
-
Паспорт изделия с основными параметрами.
-
Руководство по монтажу и эксплуатации.
-
Варианты исполнения и дополнительные опции (поставляются отдельно):
-
ЦГ-Б: Циклон, укомплектованный пылесборным бункером с ручной или механизированной выгрузкой.
-
Материал исполнения: Нержавеющая (AISI 304, 321, 316), жаропрочная или абразивостойкая сталь.
-
Взрывозащищенное исполнение: Установка взрыворазрядных панель (мембран).
-
Теплоизоляция («У»): Утепление корпуса для работы с горячими газами во избежание конденсата.
-
Система автоматизации: Шлюзовые затворы с электроприводом («ШП», «ЗПЭ»), датчики уровня, шкафы управления для интеграции в АСУ ТП.
-
Нестандартные типоразмеры: Проектирование и изготовление аппаратов под конкретные параметры расхода и геометрические ограничения.
Мы готовы предложить как готовые типовые решения из наличия (линейка ЦГ-5 … ЦГ-1200), так и разработать индивидуальный проект. Свяжитесь с нашими инженерами, чтобы уточнить детали и получить коммерческое предложение, оптимально соответствующее вашим задачам.
Стандартный циклон-искрогаситель ЦГ — это надежное и эффективное решение. Но каждое производство уникально, и часто базовой комплектации недостаточно. Для полной адаптации оборудования к вашим конкретным технологическим условиям, требованиям безопасности и интеграции в существующую инфраструктуру, ООО «РОТОР СЕРВИС» предлагает широкий спектр дополнительных опций и модификаций.
Мы не просто продаем оборудование — мы проектируем и собираем систему, идеально соответствующую вашему объекту.
1. Материалы исполнения и защита
-
Повышенная коррозионная стойкость: Изготовление аппарата из нержавеющих сталей марок AISI 304, 321, 316 для работы в средах с высокой влажностью, кислотными или щелочными парами.
-
Абразивный износ: Использование износостойких сталей (Hardox, Creusabro) или нанесение футеровки (лайнинга) на внутренние поверхности, наиболее подверженные воздействию абразивных частиц (песка, металлической окалины).
-
Работа с высокими температурами: Применение жаростойких (жаропрочных) сталей для устойчивой работы с газами температурой свыше +400°C.
2. Системы безопасности и взрывозащиты
-
Взрывобезопасное исполнение: Оснащение взрывными разрывными мембранами (панелями), рассчитанными на определенное давление срабатывания. Эта опция критически важна для обработки взрывоопасных пылевоздушных смесей (древесная, мучная, угольная пыль).
-
Системы пожаротушения: Возможность интеграции в корпус или входной газоход датчиков пламени/температуры и систем аварийного пожаротушения (распыление инертного газа или тонкораспыленной воды).
3. Комплектация для монтажа и эргономики
-
Опорная рама или эстакада («Э»): Изготовление несущей металлоконструкции для наземной установки аппарата на требуемой высоте.
-
Тепловая изоляция («У»): Утепление корпуса минераловатными матами с защитным кожухом (кожухом) для исключения выпадения конденсата при работе с горячими газами в холодных цехах.
-
Площадки и лестницы обслуживания: Удобные и безопасные площадки с ограждениями для доступа к смотровым люкам, датчикам и обслуживающим элементам.
-
Нестандартные фланцы и переходы: Изготовление патрубков под ваш существующий размер фланцев или геометрию воздуховода.
4. Автоматизация и управление
-
Автоматическая выгрузка осадка: Комплектация бункера с шлюзовым затвором («ШП») — ротационным (ячеечным) или шиберным, с ручным, пневматическим («МГП») или электрическим приводом («ЗПЭ»).
-
Система мониторинга: Установка датчиков контроля уровня пыли в бункере, дифманометров для контроля перепада давления на аппарате с выводом показаний на щит управления.
-
Шкаф управления (ЩУ): Комплектный щит для автоматического управления выгрузкой, интеграции с вашей АСУ ТП и сигнализации о нештатных ситуациях (заполнение бункера, повышение сопротивления).
5. Исполнение бункера («Б»)
-
Бункер с вибрационной решёткой: Виброустройство для предотвращения зависания и мостовых образований при выгрузке липких или слеживающихся материалов.
-
Бункер увеличенного объема: Для сокращения частоты выгрузки при высокой запыленности потока.
-
Герметичный бункер с пневмоперегружателем: Для транспортировки уловленной пыли под давлением в удаленный накопитель.
6. Конструктивные доработки под задачу
-
Усиление корпуса: Для работы под высоким разрежением или избыточным давлением.
-
Дополнительные смотровые люки и лазы: Для удобства внутреннего осмотра и технического обслуживания.
-
Кастомизация под зарубежные аналоги: Разработка и изготовление конструкций, полностью заменяющих импортные аналоги.
Наши инженеры готовы проанализировать ваш техпроцесс и предложить оптимальный набор опций, который обеспечит максимальную эффективность, безопасность и долговечность вашей системы очистки.
Принцип работы циклон-искрогасителя ЦГ
Циклон-искрогаситель ЦГ — это горизонтальный прямоточный аппарат, выполняющий две ключевые функции: гашение искр и тлеющих частиц и грубая очистка потока от сухой пыли. Его работа основана на последовательном воздействии центробежных сил и механического отбойного эффекта внутри компактной камеры.
Фаза 1: Первичная сепарация и закрутка потока
Загрязненный газовоздушный поток, содержащий искры и механические частицы, поступает через входной патрубок. На его пути находится лопастная розетка-закручиватель, которая придает потоку интенсивное вращательное движение. Возникающая центробежная сила сразу же начинает отбрасывать более тяжелые частицы к периферии, к стенкам корпуса.
Фаза 2: Искрогашение (пламетушение)
Это ключевой этап. Раскаленные частицы (искры, окалина, тлеющий партикулят), вовлеченные во вращающийся турбулентный поток, многократно сталкиваются с конструктивными элементами аппарата:
-
Со стенками корпуса.
-
С пакетом радиальных пластинчатых отбойников, установленных в камере.
-
Друг с другом в условиях высокой турбулентности.
При каждом соударении искра теряет свою тепловую энергию, охлаждается и гаснет. Этот процесс обеспечивает эффективность искрогашения до 99,9%, надежно защищая последующие участки газовода и фильтровальное оборудование от возгорания.
Фаза 3: Окончательное отделение частиц
Основной поток, достигнув глухой торцевой стенки корпуса, вынужден изменить направление. Чтобы попасть в выходной патрубок, ему необходимо вернуться назад, проходя через лабиринт, образованный отбойными пластинами. Это создает дополнительные зоны инерционного соударения, где оставшиеся твердые частицы (как охлажденные, так и холодные) окончательно отделяются от воздушного потока.
Фаза 4: Сбор и удаление уловленного материала
Отсепарированные частицы через специальные щелевые прорези в корпусе сбрасываются в отсоединяемый пылесборник (бункер). Бункер может быть вынесен на удобное расстояние от основного аппарата. Выгрузка осадка может быть организована как в ручном, так и в автоматическом режиме через шлюзовый затвор.
Фаза 5: Выход очищенного потока
Воздух или газ, очищенный от искр и значительной части пыли, свободно выходит через выходной патрубок, расположенный соосно или параллельно входному, и направляется далее в систему.
Краткий алгоритм работы:
-
Вход загрязненного потока с искрами.
-
Закрутка потоком лопастной розеткой.
-
Отбрасывание частиц к стенкам центробежной силой.
-
Многократное соударение искр с отбойниками и стенками → потеря энергии и гашение.
-
Инерционное отделение частиц при повороте потока.
-
Сброс уловленного материала в бункер через щели.
-
Выход осветленного и безопасного потока.
Важное условие эффективности:
Для корректной работы аппарата и предотвращения выпадения пыли в самом газоходе скорость потока в цилиндрической части циклона должна поддерживаться не ниже 10-12 м/с. Правильный подбор типоразмера под ваш расход воздуха гарантирует выполнение этого условия и достижение заявленных показателей.
Технические характеристики циклонов искрогасителей ЦГ

.png)
| Типоразмер/ Параметры | Производительность, м3/час | Масса, кг | Длинна, мм | Размер входного фланца, мм | Размер выходного фланца, мм |
| (без бункера) | |||||
| ЦГ-5 | 5000 | 165 | 1 800 | 280 | 280 |
| ЦГ-10 | 10 000 | 216 | 1 890 | 390 | 390 |
| ЦГ-15 | 15 000 | 265 | 2 550 | 520 | 480 |
| ЦГ-25 | 25 000 | 770 | 2 983 | 780 | 750 |
| ЦГ-35 | 35 000 | 782 | 3 500 | 775 | 725 |
| ЦГ-40 | 40 000 | 955 | 4 000 | 770 | 770 |
| ЦГ-45 | 45 000 | 1 770 | 4 356 | 900 | 900 |
| ЦГ-50 | 50 000 | 1 742 | 4 350 | 954 | 896 |
| ЦГ-60 | 60 000 | 1 750 | 4 350 | 954 | 896 |
| ЦГ-80 | 80 000 | 2 600 | 5 363 | 1 184 | 1 214 |
| ЦГ-100 | 100 000 | 4 108 | 6 500 | 1 370 | 1 250 |
| ЦГ-160 | 160 000 | 6 229 | 7 700 | 1 599 | 1 588 |
| ЦГ-450 | 450 000 | 17 925 | 11 000 | 2 630 | 2 600 |
| ЦГ-600 | 600 000 | 19 373 | 12 000 | 3 000 | 3 150 |
Купить циклон искрогаситель ЦГ или получить консультацию Вы можете позвонив по телефону +7 391 282-23-60, или по E-mail: 2821860@mail.ru
Доставка по тарифу любой транспортной компании по России и СНГ.
